Նորագույն 3D Տպիչներրը Ստեղծում են Հատակներ Ցանկացած Ձևի եվ Չափսի
Հոլանդական «Aectual» ընկերությունը մշակել է նորագույն ռոբոտացված 3D տպիչներ, որոնք հնարավորություն են տալիս տպագրել ցանկացած չափսի և ոճի հատակներ: Ըստ ընկերության տարածած տվյալների՝ այս սարքերը կարող են տպել ցանկացած չափսի, ձևի և ոճի հատակներ:
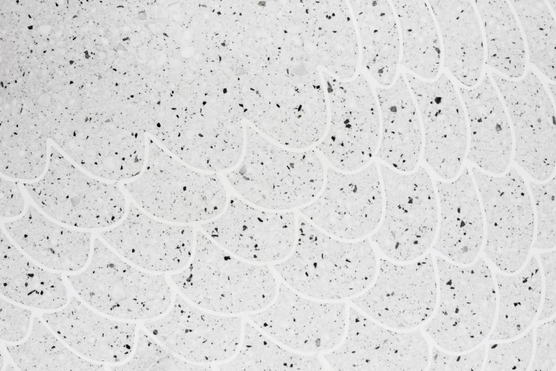
Եռաչափ հատակների տպագրության գործընթացն ընթանում է հետևյալ կերպ: Նախ՝ հսկա 3D տպիչները տպագրում են հատակի հիմքը, այնուհետև ռոբոտ-մեքենան, որն ունի 6 ուղղություններով աշխատանքի ռեժիմ, սկսում է տպագրել նախօրոք ընտրված հատակի նկարը: Ի դեպ, տպագրության ընթացքում օգտագործվում է բիոպլաստիկ, որը ստացվում է բույսերից: Այնուհետև տպագրության ավարտից հետո հատակի հինքը տեղադրվում է համապատասխան տեղում և լցոնվում է նախօրոք գրանիտից և մարմարից պատրաստված խառնուրդով: Այս ամենից հետո եզրափակիչ փուլը հատակի հարթեցումն ու փայլեցումն է: Ինչպես պնդում է «Aectual» ընկերությունը, տպագրված հատակները ունեն բարձր որակ և դիմացկունություն:
Եռաչափ հատակների տպագրության գործընթացն ընթանում է հետևյալ կերպ: Նախ՝ հսկա 3D տպիչները տպագրում են հատակի հիմքը, այնուհետև ռոբոտ-մեքենան, որն ունի 6 ուղղություններով աշխատանքի ռեժիմ, սկսում է տպագրել նախօրոք ընտրված հատակի նկարը: Ի դեպ, տպագրության ընթացքում օգտագործվում է բիոպլաստիկ, որը ստացվում է բույսերից: Այնուհետև տպագրության ավարտից հետո հատակի հինքը տեղադրվում է համապատասխան տեղում և լցոնվում է նախօրոք գրանիտից և մարմարից պատրաստված խառնուրդով: Այս ամենից հետո եզրափակիչ փուլը հատակի հարթեցումն ու փայլեցումն է: Ինչպես պնդում է «Aectual» ընկերությունը, տպագրված հատակները ունեն բարձր որակ և դիմացկունություն:
